S7-200 SMART PLC应用技术(附微课视频)郭艳萍, 主编课后习题答案解析

2025年01月22日 11:26
951浏览
S7-200 SMART PLC应用技术(附微课视频)
S7-200 SMART PLC应用技术(附微课视频)
主 编: 郭艳萍, 主编
ISBN: 9787115506412
出版社: 人民邮电出版社
上传者: -厌战-
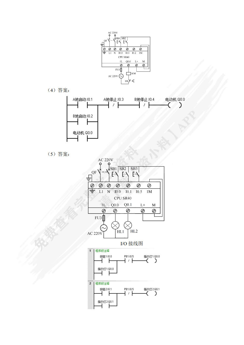
最近我们在自动化与信息工程课程中使用了《S7-200 SMART PLC应用技术(附微课视频)》这本教材。这本书详细介绍了西门子S7-200 SMART PLC的编程技术和应用,通过丰富多彩的微课视频,使复杂的理论更易于理解和掌握。对于正在学习PLC编程的我来说,本书无疑是一份宝贵的资源
为了让学习效果更佳,我还需要其他辅助资料来配合。我知道网上有许多相关的论坛和网站,上面可以找到许多关于PLC学习的讨论和实际应用案例。同时,我也在考虑参加一些线下的PLC编程培训班,以更好地理解这门技术
我在这里希望能从有经验的人士或同学们这里获得一些学习方法和经验,比如如何高效地阅读和消化教材中的专业知识,或者在学习PLC编程时遇到问题怎样解决。此外,如果有人能够分享一些微课视频的学习笔记,我将非常感激。
详情资料
S7-200 SMART PLC应用技术(附微课视频)
S7-200 SMART PLC应用技术(附微课视频)
S7-200 SMART PLC应用技术(附微课视频)
S7-200 SMART PLC应用技术(附微课视频)
S7-200 SMART PLC应用技术(附微课视频)
S7-200 SMART PLC应用技术(附微课视频)
为了给您更好的查看体验,请下载资小料APP免费查看余下资料
更新于 2025年09月24日 14:36
本书资料由用户-厌战-上传,如有侵权请联系平台客服删除。
相似资料推荐