机械制图习题集李典灿 课后习题答案解析

2023年10月30日 16:14
504浏览
机械制图习题集
机械制图习题集
主 编: 李典灿
ISBN: 9787111609209
出版社: 机械工业出版社
上传者: ^阿杰很懒^
大家好,我是一名机械专业的大学生,今天想向大家推荐一本我们专业的学习资料——《机械制图习题集》。这本书是由我们学校的资深教授编写的,内容深入浅出,非常适合我们初学者。它涵盖了机械制图的基础知识、基本原理和基本方法,以及大量的习题和实例分析,能让我们更好地理解和掌握这门课程。
在学习过程中,我发现了很多有用的学习资料和学习方法。首先,在做习题之前,我会先把课本上的知识点和例题研究透彻,这样才能更好地理解习题的出题意图和解题思路。其次,我会经常和同学们交流学习心得,互相借鉴、互相促进。最后,我还喜欢在网上查找一些相关的教学视频和课件,帮助我们更好地理解和消化所学的知识。
然而,在学习的过程中,我也遇到了一些困惑和困难,希望能够得到大家的帮助。例如,在画一些复杂的图形时,我总是把握不好尺寸和比例,不知道有没有什么好的学习方法和解决办法。此外,对于有些习题,我感到有些难度,希望能够得到有经验的学长学姐的指导。
详情资料
机械制图习题集
机械制图习题集
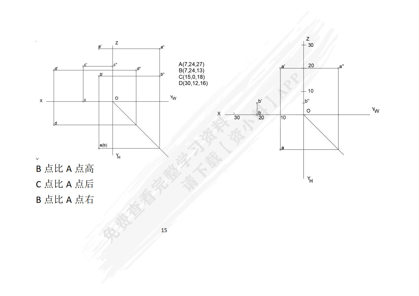
机械制图习题集
机械制图习题集
机械制图习题集
机械制图习题集
为了给您更好的查看体验,请下载资小料APP免费查看余下资料
更新于 2025年12月29日 22:26
本书资料由用户^阿杰很懒^上传,如有侵权请联系平台客服删除。
相似资料推荐